点挂与干挂工艺
石材点挂
在原结构墙上不做钢骨架,只用一个角码做支撑,固定石材用的不锈钢挂件直接安装在角码上。这种做法在原结构为砼墙且空间要求有限的情况下可以做,但要经设计和甲方同意。
(点挂工艺细部节点图)
石材干挂
用水泥钉加铁丝(或铜丝),在石材背面及侧面开孔,用铁丝或(铜丝)挂住石材,并往石材后面灌浆的施工工艺叫干挂(丝挂);用角钢在墙面固定做支撑,然后用不低于5mm厚的不锈钢挂件固定石材底部及上部开槽部位的,并用云石胶填缝密封的,也称为叫干挂。
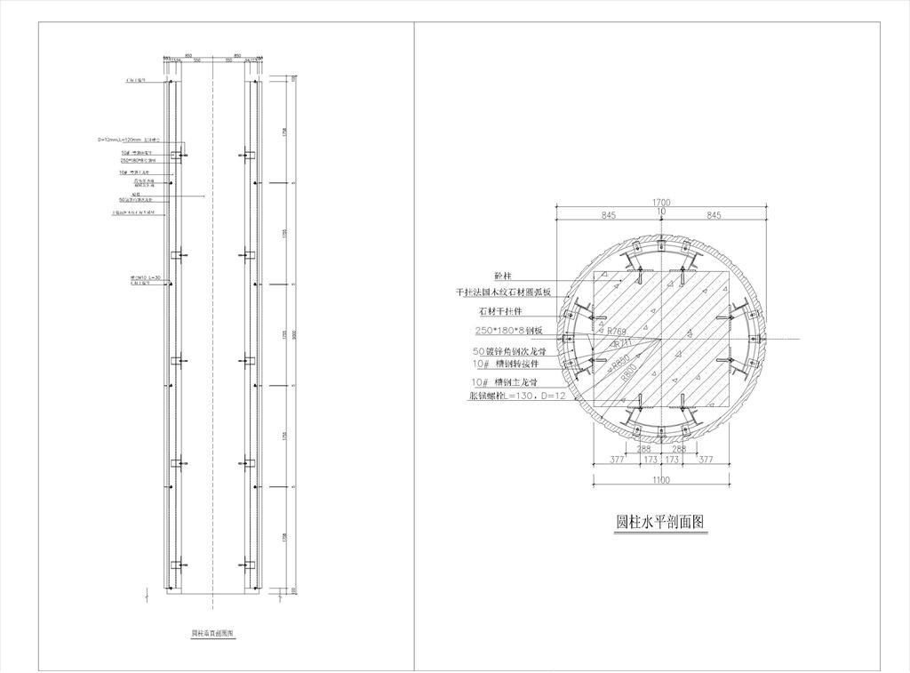
最基础的干挂类型分为两种:圆柱和方柱。
(圆柱基础大理石干挂工艺横截面示意图)
(三维动画演示)
(方柱基础大理石干挂工艺横截面示意图)
(三维动画演示)
干挂工艺的优点
1.可以有效地避免传统湿贴工艺出现的板材空鼓、开裂、脱落等现象,明显提高了建筑物的安全性和耐久性;
2.可以完全避免传统湿贴工艺板面出现的泛白、变色等现象,有利于保持装饰面层清洁美观;
3.在一定程度上改善施工人员的劳动条件,减轻了劳动强度,从而加快工程进度。
两者区别
1.点挂不需要给石材打孔,干挂要在石材背面及侧面开孔。
2.点挂是用角码做支撑,干挂是用铁丝或(铜丝)挂住石材。
3.点挂做法在原结构为砼墙且空间要求有限的情况下可以做,干挂没有相关要求。
『BDC·黑石信德』专注工装十余年,致力于成都办公室装修、写字楼装修、厂房装修、教育空间装修、店铺装修等商业空间装修设计。为客户提供专业、高效、品质一体化装修设计服务。致力于塑造人性化商业空间,助力您的企业品牌价值。Tel:17502830762

